Развеиваем мифы — Шема корректора фар газ 3110 — ключевые особенности и преимущества

Исправное функционирование корректора фар — одно из основных условий безопасности движения на дороге, особенно в условиях ночной или плохой видимости. Корректор фар, установленный на автомобилях ГАЗ 3110, является важной деталью, обеспечивающей правильное направление освещения.

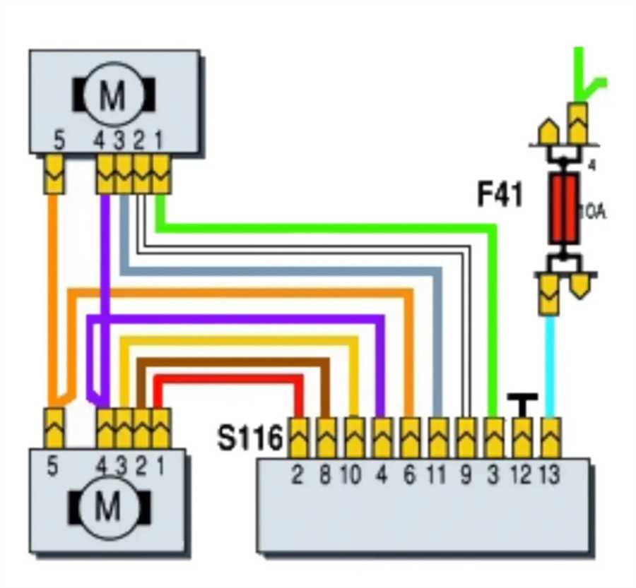
Шема корректора фар ГАЗ 3110 состоит из нескольких компонентов, которые позволяют его эффективно работать. Одним из ключевых элементов является электромеханический линейный привод, который отвечает за изменение положения фар в вертикальной плоскости. Также в состав шемы входят электронный блок управления, датчик угла наклона и контроллер, который осуществляет регулировку освещения в зависимости от положения автомобиля.

Электромеханический привод корректора фар устанавливается на кузов автомобиля и присоединяется через шарнир к фарам. Он позволяет изменять угол наклона фар вручную или автоматически, в зависимости от положения машины на дороге. Датчик угла наклона, расположенный на подвеске автомобиля, передает информацию о наклоне кузова контроллеру, который, в свою очередь, сигнализирует приводу об изменении положения фар. В результате, освещение дороги остается на нужном уровне, что способствует безопасному движению.

Принцип работы шемы корректора фар ГАЗ 3110

Основные компоненты шемы корректора фар:

1. Датчик наклона – это электронный прибор, который измеряет угол наклона автомобиля. Он устанавливается на поперечной балке подвески передней оси и контролирует положение автомобиля относительно горизонта.

2. Компьютер – основной блок управления шемой корректора фар. Он принимает информацию от датчика наклона и осуществляет регулировку угла наклона фар соответственно.

3. Двигатель корректора фар – механизм, который выполняет физическую работу по изменению угла наклона фар. Он управляется компьютером и изменяет положение фар с помощью шестеренок и рычагов.

Принцип работы:

При движении автомобиля по неровной дороге или при изменении нагрузки на заднюю ось автомобиля, датчик наклона передает информацию о текущем угле наклона компьютеру.

Компьютер обрабатывает эту информацию и, используя алгоритмы, определяет необходимый угол наклона фар. Затем компьютер передает сигнал на двигатель корректора фар, который изменяет положение фар в соответствии с заданным углом наклона.

Таким образом, благодаря шеме корректора фар ГАЗ 3110, фары автоматически регулируют свое положение, обеспечивая оптимальную видимость на дороге и минимизируя ослепление встречных водителей.

Разборка и сборка шемы корректора фар ГАЗ 3110

Перед началом разборки необходимо отключить проводку от аккумулятора и дождаться полного остывания фар. Затем следует отвернуть крышку корректора фар с помощью отвертки или другого инструмента.

Внутри корректора фар ГАЗ 3110 находится регулировочный механизм, состоящий из зубчатого колеса и рычага. Необходимо аккуратно вытащить эти детали и проверить их на наличие повреждений или износа.

Если нужно заменить какую-либо деталь, следует приобрести оригинальные запчасти и соблюдать инструкции производителя по их установке. После замены деталей необходимо собрать шему корректора фар в обратной последовательности.

Перед сборкой следует очистить все детали от грязи и старой смазки. Затем следует смазать новыми смазками зубчатое колесо и рычаг. При сборке необходимо аккуратно вставить рычаг в зубчатое колесо и установить их обратно в корректор фар.

Завершив сборку, следует закрыть крышку корректора фар и аккуратно закрепить ее. После этого можно подключать проводку к аккумулятору и провести тестирование корректора фар для проверки его работы.

Правильная разборка и сборка шемы корректора фар ГАЗ 3110 позволит вам поддерживать надлежащий уровень освещения во время езды, а также продлит срок службы самого корректора фар.

Неисправности и их устранение шемы корректора фар ГАЗ 3110

Возможные неисправности корректора фар ГАЗ 3110:

  • Недостаточная или отсутствующая реакция на изменение наклона автомобиля;
  • Необходимость частого регулирования угла наклона фар;
  • Неисправность системы управления корректором фар;
  • Механические повреждения корректора фар;
  • Проблемы с электрическими контактами или проводкой;
  • Неисправность датчика наклона автомобиля.

Устранение неисправностей шемы корректора фар ГАЗ 3110 может потребовать следующих действий:

  1. Проверить состояние проводов и контактов системы управления корректором фар. При необходимости очистить контакты или заменить провода;
  2. Проверить состояние датчика наклона автомобиля. При обнаружении неисправностей заменить датчик;
  3. Проверить работу механизма корректора фар. При необходимости смазать или заменить детали механизма;
  4. Проверить работу системы управления корректором фар с помощью диагностического оборудования. При обнаружении неисправностей провести ремонт или замену системы.
Читайте также:  Как самостоятельно заменить фару на автомобиле Datsun On-Do - подробная инструкция для автовладельцев

При возникновении проблем с корректором фар ГАЗ 3110 рекомендуется обратиться к опытным специалистам или авторизованному сервисному центру для получения квалифицированной помощи. Некорректное обращение с корректором фар может привести к дополнительным повреждениям или неправильной работе системы.

Проверка и регулировка шемы корректора фар ГАЗ 3110

Корректоры фар на ГАЗ 3110 предназначены для автоматического регулирования уровня света фар автомобиля в зависимости от нагрузки в багажнике. Правильная работа корректора значительно улучшает видимость дороги и обеспечивает безопасность вождения. Для того чтобы шему корректора фар ГАЗ 3110 можно было корректно проверять и настраивать, необходимо выполнить ряд основных шагов.

Проверка производительности корректора фар

Прежде чем приступить к регулировке, необходимо убедиться в корректности работы корректора фар на ГАЗ 3110. Для этого запустите двигатель и включите фары. Включите дополнительные электроприборы в автомобиле, чтобы создать нагрузку в багажнике. Затем отрегулируйте позицию фар, направив световой поток на вертикальную шкалу, расположенную перед автомобилем на расстоянии 10 метров. Проверьте, что свет попадает в заданную зону на шкале. Если свет попадает в неправильную зону, необходимо перейти к регулировке.

Регулировка шемы корректора фар ГАЗ 3110

Для регулировки шемы корректора фар ГАЗ 3110 следуйте следующим шагам:

  1. Ослабьте крепление регулировочного болта на рукоятке корректора.
  2. Переверните рукоятку корректора влево или вправо, чтобы изменить уровень светового потока. При вращении рукоятки влево световой поток снижается, при вращении вправо — повышается.
  3. Определите, достигнут ли необходимый уровень света на шкале. Если нет, повторите второй шаг до достижения желаемого результата.
  4. Закрепите регулировочный болт, чтобы удержать установленный уровень света фар.

После завершения регулировки рекомендуется повторно проверить производительность корректора фар, следуя указанным выше инструкциям. Правильная работа шемы корректора фар ГАЗ 3110 обеспечит комфортное и безопасное вождение в любое время суток.

Диагностика и тестирование шемы корректора фар ГАЗ 3110

Причины неисправности шемы корректора фар

Возможные причины, ведущие к неисправности шемы корректора фар:

  • Обрыв или короткое замыкание проводов
  • Неисправность регулятора уровня яркости в салоне автомобиля
  • Повреждение или износ элементов шемы, таких как реле, датчики или моторчик
  • Неправильная установка или регулировка компонентов шемы

Диагностика и тестирование шемы корректора фар

Для диагностики и тестирования шемы корректора фар ГАЗ 3110 следуйте следующим шагам:

  1. Проверьте целостность проводов и соединений в шеме корректора фар. Если обнаружены обрывы или короткое замыкание, замените поврежденные провода или выполните соответствующий ремонт.
  2. Проверьте работу регулятора уровня яркости в салоне автомобиля. Убедитесь, что регулятор работает корректно и сигналы передаются в шему корректора фар.
  3. Проверьте состояние элементов шемы (реле, датчики, моторчик). При необходимости замените поврежденные или изношенные компоненты.
  4. Проверьте правильность установки и регулировки компонентов шемы. Убедитесь, что все элементы собраны и закреплены по инструкции производителя.

После проведения диагностики и тестирования шемы корректора фар ГАЗ 3110, необходимо также проверить работу фар автомобиля для убедительности исправности. Обратите внимание на то, что некорректная установка или регулировка шемы корректора фар может привести к неправильному функционированию фар и несоблюдению ПДД.

В случае если вы не уверены в своих навыках диагностики и ремонта электронных систем автомобиля, рекомендуется обратиться к квалифицированному специалисту для выполнения данной работы. Некачественное выполнение работ может привести к неисправности других систем автомобиля и несоблюдению требований безопасности на дороге.

Комплектующие для шемы корректора фар ГАЗ 3110

Корректор фар в автомобиле ГАЗ 3110 основан на электромеханической системе, состоящей из нескольких комплектующих, которые взаимодействуют для обеспечения точной регулировки положения фар в зависимости от нагрузки автомобиля. Основные комплектующие для шемы корректора фар ГАЗ 3110 включают:

1. Датчик уровня нагрузки

Датчик уровня нагрузки предназначен для определения положения задней оси автомобиля ГАЗ 3110. Он передает сигнал о нагрузке на заднюю ось в корректор фар, что позволяет регулировать положение фар в соответствии с изменением нагрузки.

Читайте также:  Ремонт рабочего цилиндра сцепления ГАЗ 3110 - основные способы самостоятельного ремонта и замены деталей

2. Привод корректора фар

Привод корректора фар выполняет функцию изменения положения фар в зависимости от сигнала, поступающего от датчика уровня нагрузки. Он обеспечивает точную регулировку положения фар, чтобы дорога была хорошо видна в любых условиях.

Важно отметить, что комплектующие для шемы корректора фар ГАЗ 3110 должны быть качественными и надежными, чтобы обеспечить безопасность и комфорт при вождении автомобиля. Регулярная проверка и замена комплектующих при необходимости является неотъемлемой частью технического обслуживания автомобиля.

Заключительно, хорошо работающая шема корректора фар ГАЗ 3110 с надежными комплектующими обеспечивает оптимальное освещение дороги и повышает безопасность вождения в темное время суток или при плохих погодных условиях.

Технические характеристики шемы корректора фар ГАЗ 3110

Основные компоненты шемы корректора фар ГАЗ 3110:

1. Датчик нагрузки. Датчик нагрузки устанавливается на заднюю ось автомобиля и служит для определения нагрузки на заднюю ось и регулировки угла наклона фар в соответствии с ней.

2. Датчик наклона. Датчик наклона установлен на кузове автомобиля и отвечает за определение угла наклона автомобиля. Он передает информацию о наклоне автомобиля в систему коррекции фар.

3. Электронный блок управления. Электронный блок управления принимает данные от датчиков и осуществляет регулировку угла наклона фар в зависимости от полученной информации.

4. Мотор корректора фар. Мотор корректора фар исполнительный механизм, который осуществляет физическое перемещение фар в вертикальной плоскости. Он управляется электронным блоком управления.

5. Рычаг корректора. Рычаг корректора предназначен для механического связывания мотора корректора фар с фарами автомобиля. При повороте рычага мотор перемещает фары в вертикальном направлении.

Технические характеристики шемы корректора фар ГАЗ 3110 позволяют автомобилю поддерживать оптимальное освещение дороги в любых условиях и повышают безопасность вождения. Эта система активно используется на автомобилях ГАЗ 3110 и обеспечивает комфортное освещение на дороге в темное время суток.

Специалисты по ремонту шемы корректора фар ГАЗ 3110

Специалисты по ремонту шемы корректора фар ГАЗ 3110 имеют обширные знания о работе этой системы и умеют быстро и эффективно устранить любые неисправности. Они понимают, как работает корректор фар, и знают, что могут вызывать его поломку.

Профессиональный подход

Специалисты по ремонту шемы корректора фар ГАЗ 3110 профессионально подходят к своей работе. Они проводят детальную диагностику системы, чтобы определить причину поломки. Затем они используют свои знания и опыт, чтобы устранить неисправность эффективным способом.

Специалисты также могут предложить решения для предотвращения возможных поломок корректора фар в будущем. Они могут рекомендовать замену определенных деталей или провести профилактический осмотр, чтобы обнаружить потенциальные проблемы.

Качественные запчасти

Специалисты по ремонту шемы корректора фар ГАЗ 3110 используют только качественные запчасти, чтобы гарантировать надежность и долговечность ремонта. Они имеют доступ к оригинальным деталям и могут подобрать запчасти, соответствующие требованиям и спецификациям ГАЗ 3110.

При обращении к специалистам по ремонту шемы корректора фар ГАЗ 3110, можно быть уверенным в их профессионализме и качестве выполняемых работ. Они помогут сохранить функциональность корректора фар, обеспечивая безопасность и комфорт во время ночного или плохого видимости на дороге.

Профилактика и обслуживание шемы корректора фар ГАЗ 3110

Профилактика шемы корректора фар ГАЗ 3110

Для профилактики шемы корректора фар ГАЗ 3110 рекомендуется выполнять следующие действия:

  1. Визуальный осмотр: Регулярно осматривайте соединения проводов и разъемы шемы корректора фар на предмет наличия износа, коррозии, трещин и других повреждений. При обнаружении проблемных мест, замените поврежденные детали.
  2. Чистка контактов: Очистите контакты разъемов шемы корректора фар от грязи и окислов с помощью специальной чистящей жидкости и мягкой щетки. Убедитесь, что контакты полностью просушены перед повторной установкой.
  3. Проверка электрических параметров: Проверьте электрические параметры шемы корректора фар с помощью мультиметра. Убедитесь, что напряжение и сопротивление соответствуют рекомендациям производителя.
Читайте также:  Как разобрать фару Лифан Солано 620 без особых инструментов

Обслуживание шемы корректора фар ГАЗ 3110

Для обслуживания шемы корректора фар ГАЗ 3110 следует выполнить следующие действия:

  1. Замена аккумулятора: Аккумулятор, отвечающий за питание шемы корректора фар, должен быть заменен при истечении его срока службы или при повреждении. Убедитесь, что подобная замена производится только специалистами, чтобы избежать ошибок и повреждений других компонентов.
  2. Подстройка регуляторов: Регуляторы угла наклона фар ГАЗ 3110 могут требовать периодической подстройки. При необходимости, следуйте рекомендациям производителя по настройке данных регуляторов.
  3. Программирование параметров: В некоторых случаях, шема корректора фар ГАЗ 3110 может требовать программирования определенных параметров при замене или ремонте. Обратитесь к специалистам или руководству по эксплуатации для получения подробной информации.

Правильное проведение профилактики и обслуживания шемы корректора фар ГАЗ 3110 поможет поддерживать работоспособность данной системы на должном уровне, а также обеспечит безопасные условия движения в темное время суток.

История появления шемы корректора фар ГАЗ 3110

Появление шемы корректора фар ГАЗ 3110 связано с развитием технологий и требованиями безопасности на дорогах. Ранее автомобили были оснащены статическими фарами, которые имели постоянное направление светового луча. Однако такая система не всегда обеспечивала оптимальное освещение дороги и могла создавать опасные ситуации для других участников движения.

В 1980-х годах была разработана и внедрена первая шема корректора фар ГАЗ 3110, которая позволяла регулировать уровень и направление света фар в зависимости от условий дорожного движения. Это позволяло обеспечить оптимальное освещение дороги и предотвратить ослепление водителями других транспортных средств.

Основными компонентами шемы корректора фар ГАЗ 3110 являются электрический привод, датчик угла наклона и электронный блок управления. При изменении положения автомобиля или при перегрузке в заднюю часть, датчик передает информацию о наклоне кузова на электронный блок управления. Электронный блок управления, в свою очередь, регулирует положение фар с помощью электрического привода.

Современные шемы корректора фар ГАЗ 3110 имеют ряд дополнительных функций, таких как автоматическая регулировка уровня света фар при переключении на дальний или ближний свет, а также возможность вручную отключить корректор фар для статической работы фар.

Шема корректора фар ГАЗ 3110 является важной составляющей системы освещения автомобиля, обеспечивая безопасность и комфорт при движении в темное время суток или в условиях плохой видимости.

Примеры использования шемы корректора фар ГАЗ 3110 в ремонте

Шема корректора фар ГАЗ 3110 представляет собой диагностическую схему, которая помогает определить причину неисправности и выполнить ремонт системы корректора фар данного автомобиля. В данной статье мы рассмотрим несколько примеров использования шемы в ремонтных работах.

Пример 1: Неисправность корректора фар

Один из распространенных случаев неисправности корректора фар ГАЗ 3110 — это неработающий моторчик. Для решения данной проблемы можно использовать шему корректора фар. Следуя по шеме, можно проверить электрическую цепь, соединения и контакты моторчика. Если какая-либо из деталей выявлена в неисправном состоянии, ее необходимо заменить.

Пример 2: Проверка значения сопротивления

Еще один пример использования шемы корректора фар ГАЗ 3110 — это проверка значения сопротивления резистора. Если в ходе диагностики было выявлено, что резистор имеет слишком низкое или высокое сопротивление, это может привести к некорректной работе корректора фар. С помощью шемы можно определить нормальное значение сопротивления и сравнить его с измеренным значением. В случае расхождения нужно заменить резистор на новый.

Пример 3: Замена реле

Таким образом, шема корректора фар ГАЗ 3110 является полезным инструментом при ремонте данной системы автомобиля. Следуя по шеме, можно определить причину неисправности и выполнить соответствующие ремонтные работы.

error: Content is protected !!